使用者在将流量计安装至管道时,常会产生许多疑问,用何种方式插管、管的内外径和接头之间的关系、如何选择接头尺寸、、、等问题,LORRIC 借由丰富的现场经验和产业知识,详列出接头尺寸对应的管内外径,并介绍其制作标准、常见的材质和安装方法,让使用者能透过此篇文章选择适合的接头尺寸。
一、PPH、PVDF 接头符合 ISO 标准
LORRIC 基于 ISO 标准去制做 PPH 及 PVDF 热焊接接头:
1.PPH 材质(ISO 15494) SDR11 对焊接头(Butt fusion fitting)、插焊接头(Socket fusion fitting)。 ISO 15494 规定由特定材料制成的组件(例如管道,配件和阀门)之特性和条件,这些材料主要用于地上和地下的工业应用领域中的热塑性塑料管道系统:聚丁烯(PB)、聚乙烯(PE)、耐高温聚乙烯(PE-RT)、交联聚乙烯(PE-X)、聚丙烯(PP)。
*标准中定义材质众多,本文所提供与 ISO 15494相关的内容仅适用于聚丙烯(PP) 的材质和规定。 2.PVDF 材质(ISO 10931) SDR21 S10: 对焊接头(Butt fusion fitting)、插焊接头(Socket fusion fitting)。 ISO 10931 为工业用塑料管道系统(聚偏二氟乙烯(PVDF)之组件和系统)的规范。
二、耐压和强度的指标- SDR 标准尺寸比和 S 管道系列
SDR (标准尺寸比)和 S (管道系列)主要描述了管道尺寸与管壁厚度之间的关系,数值高,管壁就愈薄;数值小,管壁就愈厚,为耐压和结构强度的指标。 特别注意: 因各材质的机构强度不同,SDR 只能在同材质中比较,不同材质的 SDR 无法比较。
三、PPH、PVDF 管规
1.PPH 管规尺寸(mm)
公称 外径 dn | 管壁厚度 e 和相关公差 a |
| 管道系列 S 和标准尺寸比 SDR |
S 20 SDR 41 | S 16 SDR 33 | S 12.5 SDR 26 | S 8.3 SDR 17.6 | S 8 SDR 17 | S 5 SDR 11 | S 3.2 SDR 7.4 | S 2.5 SDR 6 |
e min | b | e min | b | e min | b | e min | b | e min | b | e min | b | e min | b | e min | b |
| 12 | - | - | - | - | - | - | - | - | - | - | 1.8 | +0.4 | 1.8 | +0.4 | 2.0 | +0.4 |
| 16 | - | - | - | - | - | - | - | - | - | - | 1.8 | +0.4 | 2.2 | +0.5 | 2.7 | +0.5 |
| 20 | - | - | - | - | - | - | 1.8 | +0.4 | 1.8 | +0.4 | 1.9 | +0.4 | 2.8 | +0.5 | 3.4 | +0.6 |
| 25 | - | - | - | - | - | - | 1.8 | +0.4 | 1.8 | +0.4 | 2.3 | +0.5 | 3.5 | +0.6 | 4.2 | +0.7 |
| 32 | - | - | - | - | - | - | 1.9 | +0.4 | 1.9 | +0.4 | 2.9 | +0.5 | 4.4 | +0.7 | 5.4 | +0.8 |
| 40 | - | - | - | - | 1.8 | +0.4 | 2.3 | +0.5 | 2.4 | +0.5 | 3.7 | +0.6 | 5.5 | +0.8 | 6.7 | +0.9 |
| 50 | 1.8 | +0.4 | 1.8 | +0.4 | 2.0 | +0.4 | 2.9 | +0.5 | 3.0 | +0.5 | 4.6 | +0.7 | 6.9 | +0.9 | 8.3 | +1.1 |
| 63 | 1.8 | +0.4 | 2.0 | +0.4 | 2.5 | +0.5 | 3.6 | +0.6 | 3.8 | +0.6 | 5.8 | +0.8 | 8.6 | +1.1 | 10.5 | +1.3 |
| 75 | 1.9 | +0.4 | 2.3 | +0.5 | 2.9 | +0.5 | 4.3 | +0.7 | 4.5 | +0.7 | 6.8 | +0.9 | 10.3 | +1.3 | 12.5 | +1.5 |
| 90 | 2.2 | +0.5 | 2.8 | +0.5 | 3.5 | +0.6 | 5.1 | +0.8 | 5.4 | +0.8 | 8.2 | +1.1 | 12.3 | +1.5 | 15.0 | +1.7 |
| 110 | 2.7 | +0.5 | 3.4 | +0.6 | 4.2 | +0.7 | 6.3 | +0.9 | 6.6 | +0.9 | 10.0 | +1.2 | 15.1 | +1.8 | 18.3 | +2.1 |
| 125 | 3.1 | +0.6 | 3.9 | +0.6 | 4.8 | +0.7 | 7.1 | +1.0 | 7.4 | +1.0 | 11.4 | +1.4 | 17.1 | +2.0 | 20.8 | +2.3 |
| 140 | 3.5 | +0.6 | 4.3 | +0.7 | 5.4 | +0.8 | 8.0 | +1.0 | 8.3 | +1.1 | 12.7 | +1.5 | 19.2 | +2.2 | 23.3 | +2.6 |
| 160 | 4.0 | +0.6 | 4.9 | +0.7 | 6.2 | +0.9 | 9.1 | +1.2 | 9.5 | +1.2 | 14.6 | +1.7 | 21.9 | +2.4 | 26.6 | +2.9 |
| 180 | 4.4 | +0.7 | 5.5 | +0.8 | 6.9 | +0.9 | 10.2 | +1.3 | 10.7 | +1.3 | 16.4 | +1.9 | 24.6 | +2.7 | 29.9 | +3.2 |
| 200 | 4.9 | +0.7 | 6.2 | +0.9 | 7.7 | +1.0 | 11.4 | +1.4 | 11.9 | +1.4 | 18.2 | +2.1 | 27.4 | +3.0 | 33.2 | +3.6 |
| 225 | 5.5 | +0.8 | 6.9 | +0.9 | 8.6 | +1.1 | 12.8 | +1.5 | 13.4 | +1.6 | 20.5 | +2.3 | 30.8 | +3.3 | 37.4 | +4.0 |
| 250 | 6.2 | +0.9 | 7.7 | +1.0 | 9.6 | +1.2 | 14.2 | +1.7 | 14.8 | +1.7 | 22.7 | +2.5 | 34.2 | +3.7 | - | - |
| 280 | 6.9 | +0.9 | 8.6 | +1.1 | 10.7 | +1.3 | 15.9 | +1.8 | 16.6 | +1.9 | 25.4 | +2.8 | 38.3 | +4.1 | - | - |
| 315 | 7.7 | +1.0 | 9.7 | +1.2 | 12.1 | +1.5 | 17.9 | +2.0 | 18.7 | +2.1 | 28.6 | +3.1 | 43.1 | +4.6 | - | - |
| 355 | 8.7 | +1.1 | 10.9 | +1.3 | 13.6 | +1.6 | 20.1 | +2.3 | 21.1 | +2.4 | 32.2 | +3.5 | 48.5 | +5.1 | - | - |
| 400 | 9.8 | +1.2 | 12.3 | +1.5 | 15.3 | +1.8 | 22.7 | +2.5 | 23.7 | +2.6 | 36.3 | +3.9 | 54.7 | +5.7 | - | - |
| 450 | 11.0 | +1.3 | 13.8 | +1.6 | 17.2 | +2.0 | 25.5 | +2.8 | 26.7 | +2.9 | 40.9 | +4.3 | - | - | - | - |
| 500 | 12.3 | +1.5 | 15.3 | +1.8 | 19.2 | +2.2 | 28.3 | +3.1 | 29.7 | +3.2 | 45.4 | +4.8 | - | - | - | - |
| 560 | 13.7 | +1.6 | 17.2 | +2.0 | 21.4 | +2.4 | 31.7 | +3.4 | 33.2 | +3.6 | 50.8 | +5.3 | - | - | - | - |
| 630 | 15.4 | +1.8 | 19.3 | +2.2 | 24.1 | +2.7 | 35.7 | +3.8 | 37.4 | +4.0 | - | - | - | - | - | - |
| 710 | 17.4 | +2.0 | 21.8 | +2.4 | 27.2 | +3.0 | 40.2 | +4.3 | 42.1 | +4.5 | - | - | - | - | - | - |
| 800 | 19.6 | +2.2 | 24.5 | +2.7 | 30.6 | +3.3 | 45.3 | +4.8 | 47.4 | +5.0 | - | - | - | - | - | - |
| 900 | 22.0 | +2.4 | 27.6 | +3.0 | 34.4 | +3.7 | 51.0 | +5.3 | - | - | - | - | - | - | - | - |
| 1000 | 24.5 | +2.7 | 30.6 | +3.3 | 38.2 | +4.1 | - | - | - | - | - | - | - | - | - | - |
| 1200 | 29.4 | +3.2 | 36.7 | +3.9 | 45.9 | +4.8 | - | - | - | - | - | - | - | - | - | - |
| 1400 | 34.3 | +3.7 | 42.9 | +4.5 | 53.5 | +5.6 | - | - | - | - | - | - | - | - | - | - |
| 1600 | 39.2 | +4.2 | 49.0 | +5.1 | 61.2 | +6.4 | - | - | - | - | - | - | - | - | - | - |
a: 所有尺寸均符合 ISO 4065。 b: 公差的计算公式为 (0.1e + 0.2) mm,并四舍五入至***接近的 0.1 mm |
2.PVDF 管规尺寸(mm)
公称外径 dn | 管壁厚度 e 和相关公差 b |
| 管道系列 S 和标准尺寸比 SDR |
S 16 SDR 33 | S 10 SDR 21 | S 8 SDR 17 | S 6.3 SDR 13.6 |
| e | a | e | a | e | a | e | a |
| 8 | - | - | - | - | - | - | 1.9 | +0.4 |
| 10 | - | - | - | - | - | - | 1.9 | +0.4 |
| 12 | - | - | - | - | - | - | 1.9 | +0.4 |
| 16 | - | - | - | - | - | - | 1.9 | +0.4 |
| 20 | - | - | - | - | - | - | 1.9 | +0.4 |
| 25 | - | - | - | - | - | - | 1.9 | +0.4 |
| 32 | - | - | - | - | - | - | 2.4 | +0.5 |
| 40 | - | - | - | - | 2.4 | +0.5 | - | - |
| 50 | - | - | - | - | 3.0 | +0.6 | - | - |
| 63 | 2.0 | +0.5 | 3.0 | +1.5 | 3.8 | +0.6 | - | - |
| 75 | 2.3 | +0.5 | 3.6 | +1.5 | 4.5 | +0.7 | - | - |
| 90 | 2.8 | +0.5 | 4.3 | +1.5 | 5.4 | +0.8 | - | - |
| 110 | 3.4 | +0.6 | 5.3 | +1.5 | 6.6 | +0.9 | - | - |
| 125 | 3.9 | +0.6 | 6.0 | +1.5 | - | - | - | - |
| 140 | 4.3 | +0.7 | 6.7 | +1.5 | - | - | - | - |
| 160 | 4.9 | +0.7 | 7.7 | +1.5 | - | - | - | - |
| 180 | 5.5 | +0.8 | 8.6 | +1.5 | - | - | - | - |
| 200 | 6.2 | +0.9 | 9.6 | +1.5 | - | - | - | - |
| 225 | 6.9 | +0.9 | 10.8 | +1.5 | - | - | - | - |
| 250 | 7.7 | +1.0 | 11.9 | +1.5 | - | - | - | - |
| 280 | 8.6 | +1.1 | 13.4 | +1.5 | - | - | - | - |
| 315 | 9.7 | +1.2 | - | - | - | - | - | - |
| 355 | 10.9 | +1.3 | - | - | - | - | - | - |
| 400 | 12.3 | +1.5 | - | - | - | - | - | - |
*基于安全原因,***小管壁的厚度不能小于1.9 mm 壁厚公差:(0.1 e + 0.2) mm,四舍五入至***接近的 0.1 mm。 所有尺寸均根据 ISO 4065。 |
四、PPH、PVDF 接头常见的接管方式
1.对焊 接管流程:将两段要连结的管接口面加热,熔融至一定程度后,把两个加热的接口面接合,待冷却固定后即完成接管,因不需要耗费一段管材来加热插接,优点为较节省材料,且接合后的管不易漏液体,也较耐压。对焊的安装方式因为两段管的管径落差不能太大,管的接面口才能刚好接合,需注意管径和管壁厚度。
(1).PVDF 对焊接头的spigot 套管接头端尺寸 e: 套管接头插入端的管壁厚度(位于Lb1 上方) 需符合江苏888集团塑业PVDF 管规尺寸表格(详见三之一)。 Lb1: 加热融合端的内部***小管状长度,即对焊融合所需的初始套管接头端深度。 Lb2: 加热融合端的外部***小管状长度,即加热融合端的初始长度。

公称外径 dn | 内管长度* Lb1 | 外管长度* Lb2 |
| 8 | 4 | 10 |
| 10 | 4 | 10 |
| 12 | 4 | 10 |
| 16 | 4 | 10 |
| 20 | 4 | 10 |
| 25 | 4 | 10 |
| 32 | 5 | 10 |
| 40 | 5 | 10 |
| 50 | 5 | 12 |
| 63 | 6 | 12 |
| 75 | 6 | 12 |
| 90 | 7 | 12 |
| 110 | 8 | 12 |
| 125 | 8 | 15 |
| 140 | 9 | 15 |
| 160 | 9 | 20 |
| 180 | 10 | 20 |
| 200 | 11 | 20 |
| 225 | 12 | 25 |
| 250 | 13 | 25 |
| 280 | 14 | 30 |
| 315 | 15 | 30 |
| *允许弯曲的接头减小管状长度 |
(2).PPH 对焊接头的spigot 套管接头端尺寸 e: 套管接头插入端的管壁厚度(位于Lb1 上方) 需符合PPH 管规尺寸表格(详见三之一)。 Lb1: 套管接头插入端的内部长度。 Lb2: 套管接头插入端的外部长度。
公称外径 dn | 内管长度* Lb1 | 外管长度* Lb2 |
| 12 | 4 | 10 |
| 16 | 4 | 10 |
| 20 | 4 | 10 |
| 25 | 4 | 10 |
| 32 | 5 | 10 |
| 40 | 5 | 10 |
| 50 | 5 | 12 |
| 63 | 6 | 12 |
| 75 | 6 | 12 |
| 90 | 7 | 12 |
| 110 | 8 | 12 |
| 125 | 8 | 15 |
| 140 | 9 | 15 |
| 160 | 9 | 20 |
| 180 | 10 | 20 |
| 200 | 11 | 20 |
| 225 | 12 | 25 |
| 250 | 13 | 25 |
| 280 | 14 | 30 |
| 315 | 15 | 30 |
| 355 | 16 | 30 |
| 400 | 18 | 30 |
| 450 | 20 | 35 |
| 500 | 20 | 35 |
| 560 | 20 | 40 |
| 630 | 20 | 40 |
| 710 | 20 | 40 |
| 800 | 20 | 50 |
| 900 | 20 | 50 |
| 1000 | 20 | 60 |
| 1200 | 20 | 60 |
| 1400 | 20 | 70 |
| 1600 | 20 | 70 |
| *允许弯曲的接头减小套管插入端的管状部分的长度 |
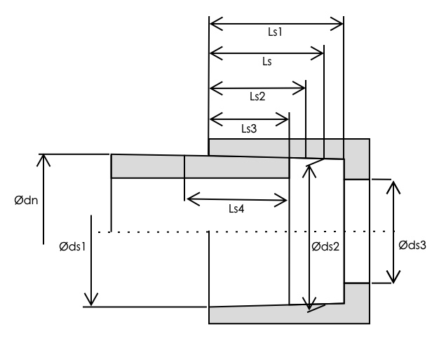
2.插焊 接管流程:将一段管的外表面和另一段管的内表面熔融,再趁热把熔化管插入另一段管内,固定直到接口处冷却。插入的管的外径须等同于承插管的内径即能在熔融插进去并冷却后,牢固地接合,需要注意管的内外径和管壁厚度;且因为要将管子插入,也需注意插入管子的延伸长度,例如: ?20的管子,延伸长度需大于 10mm;而加热器要套在管子上加热,其尺寸也需刚好符合管子,便于在规定时间内熔融管子。
dn: 公称直径 ds1:承插座口的内径,包括带有承插座口平面的承插座延伸部内部的平均圆直径。 ds2: 承插座根的平均内径,包含与承插座口的平面平行的平面中的圆的平均直径,与它的距离为 Ls,即基准承插接头长度。 ds3 min: 穿过管体的流道(孔)的直径。 Ls: 基准承插座长度,包括理论***小值。用于计算的承插座长度。 Ls1: 实际承插座长度,包括从承插座口到肩的距离。 Ls2: 加热的接头长度,包括加热工具在承插座中的穿透长度。 Ls3: 插入长度,包括加热管端到承插座的穿透深度。 Ls4: 管道的加热长度,包括管道插入加热工具的深度。

(1).PVDF 插焊接头的承插座直径和长度(ISO 10931)
公称外径 dn | 管道平均外径 dem | 江苏888集团工程塑业平均内径 |
min | max | 承插座口 ds1 | 承插座根部 ds2 |
| min | f | min | f |
| 16.0 | 15.8 | 16.0 | 15.2 | +0.3 | 15.1 | +0.3 |
| 20.0 | 19.8 | 20.2 | 19.2 | +0.3 | 19.0 | +0.3 |
| 25.0 | 24.8 | 25.0 | 24.2 | +0.3 | 23.9 | +0.4 |
| 32.0 | 31.8 | 32.0 | 31.1 | +0.4 | 30.9 | +0.4 |
| 40.0 | 39.8 | 40.0 | 39.0 | +0.4 | 38.8 | +0.4 |
| 50.0 | 49.8 | 50.0 | 48.9 | +0.5 | 48.7 | +0.5 |
| 63.0 | 62.7 | 63.0 | 61.9 | +0.6 | 61.6 | +0.5 |
| 75.0 | 74.7 | 75.0 | 73.7 | +0.5 | 73.4 | +0.5 |
| 90.0 | 89.7 | 90.0 | 88.6 | +0.6 | 88.2 | +0.6 |
| 110.0 | 109.6 | 110.0 | 108.4 | +0.6 | 108.0 | +0.6 |
(2).PPH 插焊接头的承插座直径和长度(ISO 15494)
| A 接头尺寸和长度(不需要对管道的外表面进行机械加工。) |
公称外径 dn | 管道平均外径 dem | 平均内径 |
min | 承插座口 ds1m | 承插座根部 ds2m |
| min | f | min | f |
| 16.0 | 16.0 | 15.2 | +0.3 | 15.1 | +0.3 |
| 20.0 | 20.0 | 19.2 | +0.3 | 19.0 | +0.3 |
| 25.0 | 25.0 | 24.2 | +0.3 | 23.9 | +0.4 |
| 32.0 | 32.0 | 31.1 | +0.4 | 30.9 | +0.4 |
| 40.0 | 40.0 | 39.0 | +0.4 | 38.8 | +0.4 |
| 50.0 | 50.0 | 48.9 | +0.5 | 48.7 | +0.5 |
| 63.0 | 63.0 | 61.9 | +0.6 | 61.6 | +0.5 |
| 75.0 | 75.0 | 74.3 | +0.6 | 73.1 | +0.6 |
| 90.0 | 90.0 | 89.3 | +0.6 | 87.9 | +0.6 |
| 110.0 | 110.0 | 108.4 | +0.6 | 107.7 | +0.6 |